Engineering Excellence since 1980

Lüke Systemtechnik Firmenlogo

Spielfreier Uhrmacher Kantentaster

Mit einem Tastspitzen-Durchmesser von nur 0.8 mm sind unsere Kantentaster für Anwendungsfälle konzipiert, bei den kleinste Bohrungen und Strukturen gemessen werden. Die Anwendungen sind vielfältig: Im gesamten Zerspanungsbereich, bei Uhrmachern und Juwelieren, bei Modellbauern und vielen weiteren Einsatzfällen mit besonderem Messbedarf.

Das Design der Kantentaster erlaubt vollkommen spielfreies arbeiten. Damit hängt die erzielbare Genauigkeit nur noch von der Genauigkeit der Maschinen ab, auf denen der Kantentaster eingesetzt wird. Darüber hinaus berücksichtigt das Design die beengten Platzverhältnisse auf kleinen Zerspanungsmaschinen.

Die Kantentaster der KT-Q11U Familie gehören zu den kleinsten Kantentastern auf dem Weltmarkt.

Der KT-Q11U nutzt den Stromdurchgang durch das Werkstück zur Positionsbestimmung. Berührt die Tastspitze das Werkstück, schließt sich ein Stromkreis. Dies wird akustisch und optisch signalisiert. Durch Beilegen leitender Folien lässt sich der Kantentaster auch mit nicht-leitenden Materialien einsetzen.

Aktuell leider ausverkauft
ab Ende Q2/26 wieder verfügbar
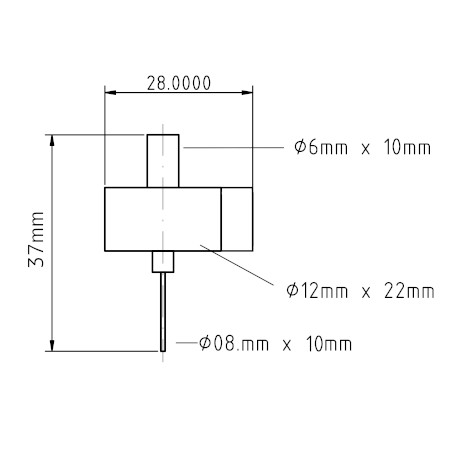
Der Kantentaster KT-Q11U im Detail

    • Der KT-Q11U gehört zu den Kantentastern mit den geringsten Abmessungen auf dem Weltmarkt

    • 0.8mm ⦰ x 10mm Tastspitze

    • 6mm ⦰ x 10mm Länge Spannschaft

    • spielfreies Design = höchste Genauigkeit

    • elastische Tastspitze: geringe Biegungen bleiben schadfrei

    • akustische und optische Anzeige bei Kontakt zum Werkstück

    • wahlweise rote (650nm) oder grüne (450nm) Leuchtanzeige

    • akustische Signalisierung: ca. 2kHz, Lautstäurke: ca. 90 db(A)

    • Stromversorgung: Micro-USB Buchse, 5V @ ca. 30mA

    • extrem kompakte Bauweise

    • vermessen von kleinsten Bohrungen und Strukturen

    • keine CNC Massenware

    • hergestellt mit höchster Präzision auf handgeführten Maschinen

    • Made in Germany

Kantenposition gefunden

1 / 13

Bestellinformationen KT-Q11U

Unser Preis:  € 98.00   inkl. MwSt. + Versand

Verfügbar: Aktuell ausverkauft.  Ende Q2/26 wieder lieferbar

Artikelzustand: Refurbished, geprüft, neuwertiger Zustand

Originalverpackung: Nein

Lieferumfang

Preis enthält MwSt. MwSt. wird auf der Rechnung ausgewiesen

Versandkosten
Wichtiger Hinweis zur Kaufabwicklung

Wichtig: Die folgenden Links sind extern und führen zur Kaufabwicklung zu ebay.de

Im Moment sind leider keine Angebote verfügbar. Voraussichtlich werden die nächsten Ende Q2/2026 erhältlich.

KT-Q11U-R (rote Version) € 98.00 + Versand

KT-Q11U-R (rote Version) € 98.00 + Versand

KT-Q11U-R (rote Version) € 98.00 + Versand

KT-Q11U-G (grüne Version) € 98.00 + Versand

Bitte klicken Sie einen der Links an